


Leading The Future Of
Corrosion Solutions
Trusted PTFE, PFA, PVDF & HDPE lining systems for corrosion-resistant, critical industrial applications.
Company
Building quality through
industrial innovation
Asset Fluoro Systems is a Nashik-based manufacturer specializing in PTFE and advanced fluoropolymer lining solutions for critical industrial applications. Established in 2021 and led by industry expert Mr. Vaibhav Naphade with over 25 years of experience, we design and manufacture high-performance PTFE liners, lined pipes, fittings, and custom fluoropolymer systems engineered to withstand corrosive and high-demand environments.
Our manufacturing processes follow ASTM F1545 compliance, and every product undergoes rigorous type testing and validation to ensure durability, chemical resistance, and long-term operational reliability. From chemical processing plants to pharmaceutical and specialty industries, our solutions are trusted for consistent performance and safety
- Sustainable Manufacturing
- Advanced Automation
- Efficient Production Processes
- Reliable Delivery Services
Why Industries Choose Our Fluoropolymer Solutions
Our Expertise
Innovative factory and industry
solutions today
PTFE Extruded Liners
High-precision seamless liners for corrosion-resistant applications.
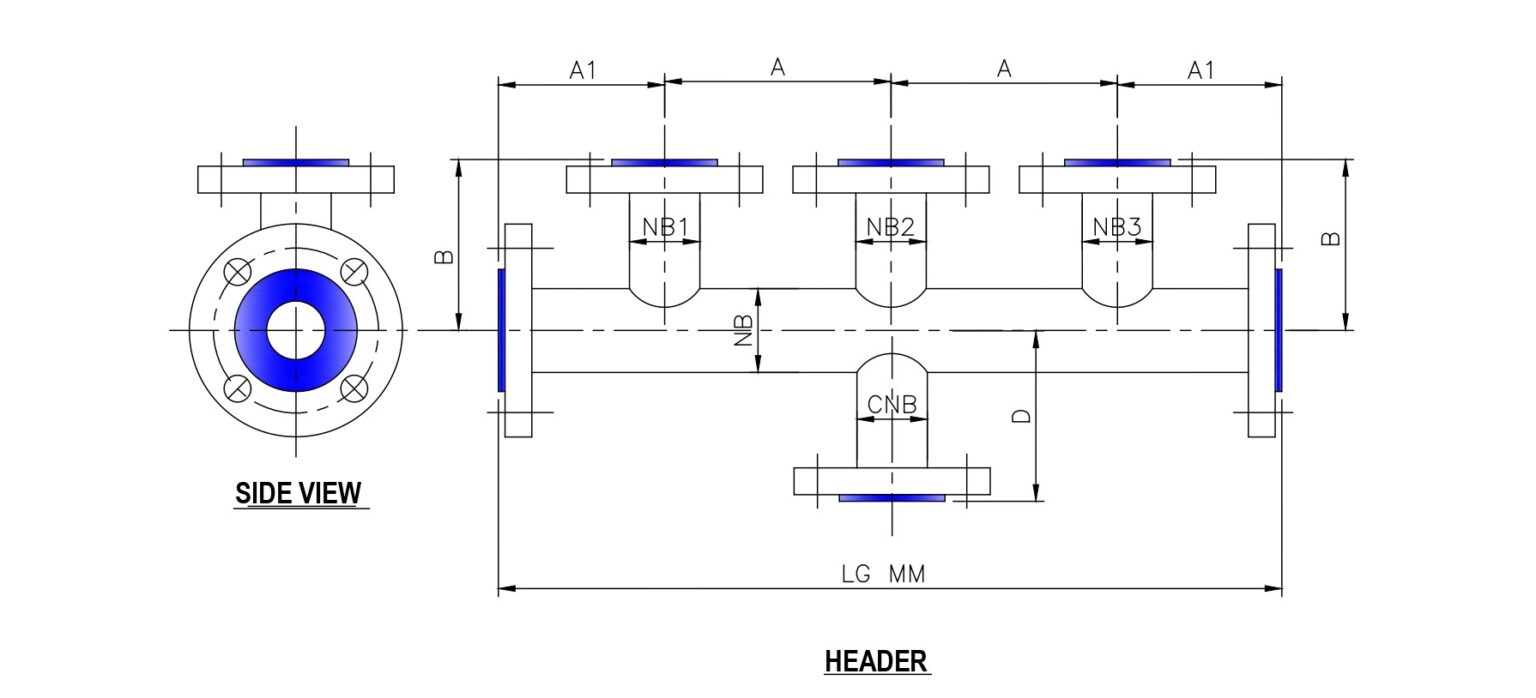
Fluoropolymer-Lined Piping
Reliable PTFE, PFA, PVDF, and HDPE-lined pipes and fittings.
Custom Lining Solutions
Tailor-made PTFE/PFA/PVDF linings for tanks, vessels, and columns.
Antistatic PTFE Lined Piping System
Advanced antistatic liners engineered for critical chemical processes.
Let’s make something great work together. Get Free Quote
Services
Comprehensive solutions
for industrial excellence
We specialize in PTFE extruded liners and complete fluoropolymer-lined piping systems designed for highly corrosive, high-temperature, and full-vacuum applications.
Industrial Manufacturing
Process Equipment Solutions
Corrosion-Resistant Lining
Fluoropolymer Piping Systems
Our Work
Our successful Product
initiatives
Delivering high-quality fluoropolymer lining projects across industries with precision and reliability
High-Performance Products
Asset Fluoro Systems produces durable PTFE and fluoropolymer lining solutions built to withstand aggressive chemicals, high temperatures, and demanding industrial conditions.
Advanced Manufacturing Process
We use precision extrusion and controlled lining techniques to deliver seamless PTFE liners and fluoropolymer systems with consistent quality and reliable performance.
Industry-Specific Solutions
We provide customized fluoropolymer piping and lining systems for chemical, pharmaceutical, food, and process industries, ensuring safe handling of corrosive media.
Rigorous Quality Assurance
Each product undergoes detailed inspection, spark testing, and dimensional checks to meet global quality standards and ensure long-term operational reliability.
Our Products
Explore Our
High-Performance Products
WHAT WE DO
Excuting the right
initiatives
We deliver tailored fluoropolymer lining solutions by understanding project needs, engineering reliable systems, and ensuring high-quality execution.
Assessing Requirements
We analyze process needs to ensure the right fluoropolymer lining solution.
Engineering the Solution
We design and develop precise PTFE and fluoropolymer systems tailored to your application.
Delivering with Quality
We manufacture and supply reliable, corrosion-resistant components with strict quality control.





