Menu
Need help!
Got questions or need assistance with your Industry needs?
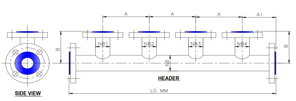
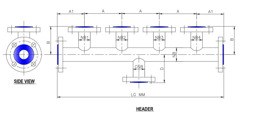
PTFE lined Header
PTFE lined headers are designed to distribute or collect fluids efficiently in highly corrosive process systems. The carbon steel outer structure provides mechanical strength, while the seamless PTFE lining ensures excellent chemical resistance and contamination-free flow. Engineered for durability and uniform flow distribution, these headers are widely used in chemical, pharmaceutical, and industrial applications requiring long service life and reliable performance.
Key Features:
- Heavy-duty steel construction
- Seamless PTFE lining
- Superior corrosion resistance
- Uniform flow distribution
Specifications:
| 4 PIN Headter | ||||||||
| Main Header Size (NB) | Branch Size (NB1) | Branch Size (NB2) | Branch Size (NB3) | Branch Size (NB4) | A | A1 | B | Length LG |
| 40 | 25 | 25 | 25 | 25 | 120 | 75 | 100 | 510 |
| 40 | 40 | 40 | 40 | 40 | 140 | 75 | 100 | 570 |
| 50 | 40 | 40 | 40 | 40 | 140 | 60 | 114 | 540 |
| 50 | 50 | 50 | 50 | 50 | 160 | 60 | 114 | 600 |
| 3 PIN Headter | ||||||||
| Main Header Size (NB) | Branch Size (NB1) | Branch Size (NB2) | Branch Size (NB3) | A | A1 | B | Length LG | |
| 40 | 25 | 25 | 25 | 120 | 75 | 100 | 400 | |
| 40 | 40 | 40 | 40 | 140 | 75 | 100 | 430 | |
| 50 | 40 | 40 | 40 | 140 | 60 | 114 | 400 | |
| 50 | 50 | 50 | 50 | 160 | 60 | 114 | 440 | |
Material Of Construction (MOC):
- Body : Fabricated with A106 Gr. B SCH40 Pipe
- Flanges: Material as Per IS 2062 GR B /ASTM A105 Dimensions As per ASME B16.5 #150. JIS or DIN Std Options available
- Lining: Virgin PTFE in compliance with ASTM F1545-15a.